OHR-D13系列單相LED顯示智能電量變送器
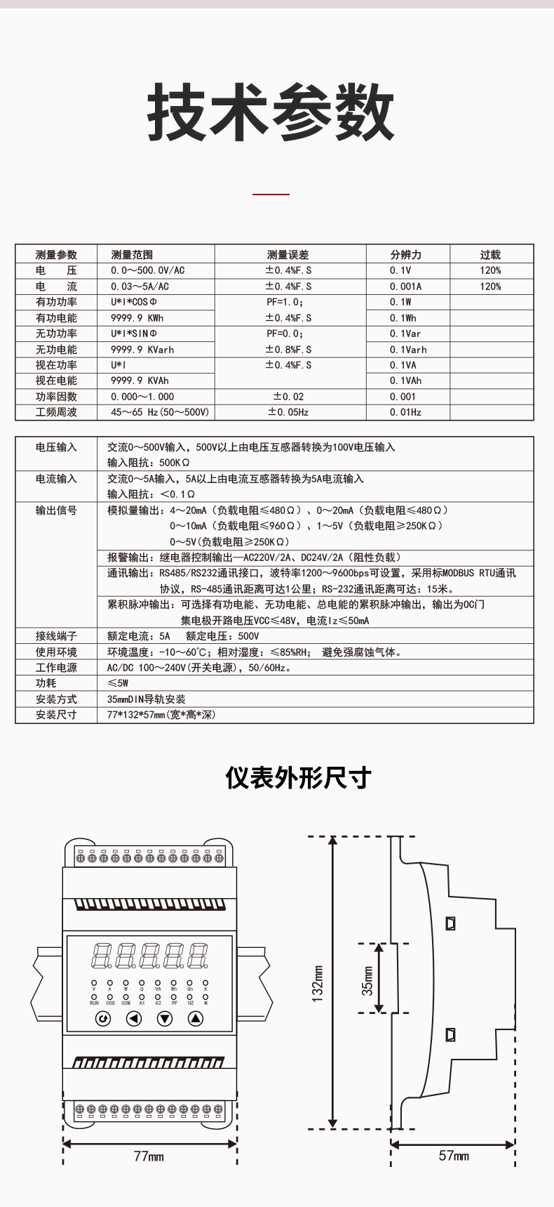
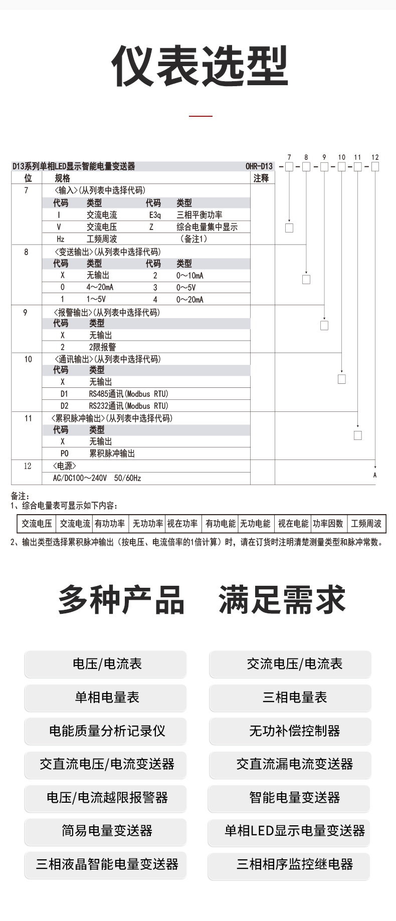
虹潤公司是專業生產電流傳感器的國家專精特新“小巨人”企業。生產的單相電量變送器,具有多種電參數測量,有功無功電能累積,高抗干擾,導軌壁掛共用, RS485/RS232通訊等特點。產品獲得基于一種交流信號變送器、交直流信號轉換電路、基于DCS技術的盤裝式三相電量表等3項國家發明專利,主持起草工業過程控制系統用模擬輸入兩位或多位輸出儀表國家標準,直流漏電流傳感器規范、通信系統多通道數據采集控制終端規范等2項軍用標準,以及現場設備集成等5項智能制造國家標準,參與國際5G標準制定,取得單相電量儀表等2項相關軟件著作權。產品廣泛應用于電力、冶金、化工、水泥、造紙、新能源、基礎設施等用電密集行業。














咨詢電話 0599-7821390
商務郵箱 hrgs@hrgs.com.cn

直接掃碼
虹潤微信客服

虹潤官方微信
fjhongrun